Насос шестеренчатый НШ-8 для перекачки шоколадной глазури
1. НАЗНАЧЕНИЕ
1.1 Насос шестеренчатый НШ-8 предназначен для перекачки шоколадной глазури из темперирующей машины. Высота подъема – 3м, длина трубопровода – 5м
2. ТЕХНИЧЕСКИЕ ХАРАКТЕРИСТИКИ
| 2.1 Расчетная производительность, л/мин | 50 |
| 2.2 Подводимая мощность привода, кВт | 1,5 |
| 2.3 Модуль шестерен, мм | 8 |
| 2.4 Количество зубьев шестерен | 10 |
| 2.5 Длина зубьев шестерен, мм | 140 |
| 2.6 Частота вращения шестерен, об/мин | 85 |
| 2.7 Диаметр входного патрубка, мм | 50 |
| 2.8 Диаметр выходного патрубка, мм | 50 |
| 2.9 Габаритные размеры, мм | |
| длина | 280 |
| ширина | 260 |
| высота | 325 |
| 2.10 Масса, кг | 25 |
3. КОМПЛЕКТ ПОСТАВКИ
| № | Наименование | Кол. | Примечание |
| 1 | Насос шестеренчатый НШ-8, собранный в соответствии с основным конструкторским документом НШ-800.000 | 1 | |
| 2 | Паспорт НШ-8ПС | 1 |
4. УСТРОЙСТВО И ПРИНЦИП РАБОТЫ
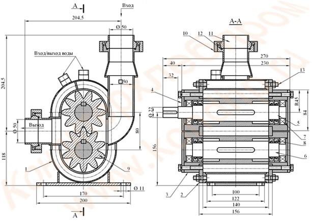
4.1 Насос состоит (смотри чертеж) из: 1-корпус, 2-фланец, 3-корпус подшипника, 4-крышка, 5-вал длинный, 6-вал короткий, 7-подшипник, 8-манжета, 9-шестерня, 10-гайка накидная DN50, 11- конический штуцер DN50, 12-уплотнение DN50, 13-шпилька.
4.2 Корпус имеет водяную рубашку со штуцерами подвода – отвода воды.
ВНИМАНИЕ! Во избежание гидравлического удара в водяной рубашке, запрещается устанавливать запорную арматуру на выходе воды из рубашки.
4.3 Фланцы крепятся к корпусу шпильками, которые вкручены в корпус на резьбе и герметизированы силиконом. Корпуса подшипников с крышками крепятся к фланцам с помощью болтов. Валы уплотняются с помощью стандартной манжеты. На каждый подшипник по две манжеты.
4.4 Продукт поступает через всасывающий патрубок на шестерни и проходит между зубьями и стенками корпуса в нагнетательный патрубок.
