Насос-дозатор Ж7-ШДС для сиропа

Предназначен для дозирования сахарного сиропа. Применяется на предприятиях кондитерской промышленности.
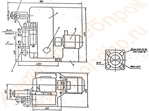
Состоит (рис. 15) из клапанной коробки, механизма регулирования производительности, редуктора кожуха, расположенных на станине. Клапанная коробка представляет собой чугунный корпус с двумя бронзовыми клапанами, расположенными над всасывающим и нагнетательным патрубками.
К корпусу клапанной коробки крепится корпус механизма регулирования производительности. Механизм регулирования производительности позволяет плавно регулировать ход плунжера в двух диапазонах: от 20 до 39 к от 40 до 80 мм при работающем дозаторе и соответственно изменять производительность.
Возвратно-поступательное движение плунжера осуществляется от привода через, кривошипно-шатунный механизм. Диапазон производительности изменяется перестановкой мест на кривошипе, в результате чего изменяется ход плунжера.

Рис, 15. Насос-дозатор Ж7-ШДС для сиропа: 1 - станина; 2 - клапанная коробка; 3 - механизм регулирования производитель- ности; 4 - кожух; 5 -редуктор; 6 - электродвигатель
Техническая характеристика
| Производительность при ходе плунжера, кг/ч: 20...39 мм 40...80 мм |
320...630 850...1300 |
| Создаваемое давление, МПа | 0,4 |
| Диаметр плунжера, мм | 60 |
| Число двойных ходов плунжера в минуту | 73,2 |
| Диаметр всасываюшего и нагнетательного патрубков, мм | 40 |
| Установленная мощность, кВт | 0,75 |
| Габаритные размеры, им | 890х375x620 |
| Масса, кг | 115 |